Netradiční využití energetických zdrojů
+420 604 346 246
roman@buryjan.cz
Plyn | Projekce
Solární kolektory | Instalace
Úvod
Projekty | plyn
Plynárenství
Technické a ostatní topné plyny
Plynové rozvody s báňským oprávněním
Biostanice
CNG stanice
Upgrading plynárenských technologií
Solární kolektory
Velikost solárního systému
Regulace solárního systému
Solární panely
Zásobníky teplé vody
Certifikáty
Reference
Kontakt
Mám zájem
Volejte
+420 604 346 246
Napište
roman@buryjan.cz
Adresa
Na Podlesí 129
735 62 Český Těšín
Projekce | inženýring | realizace
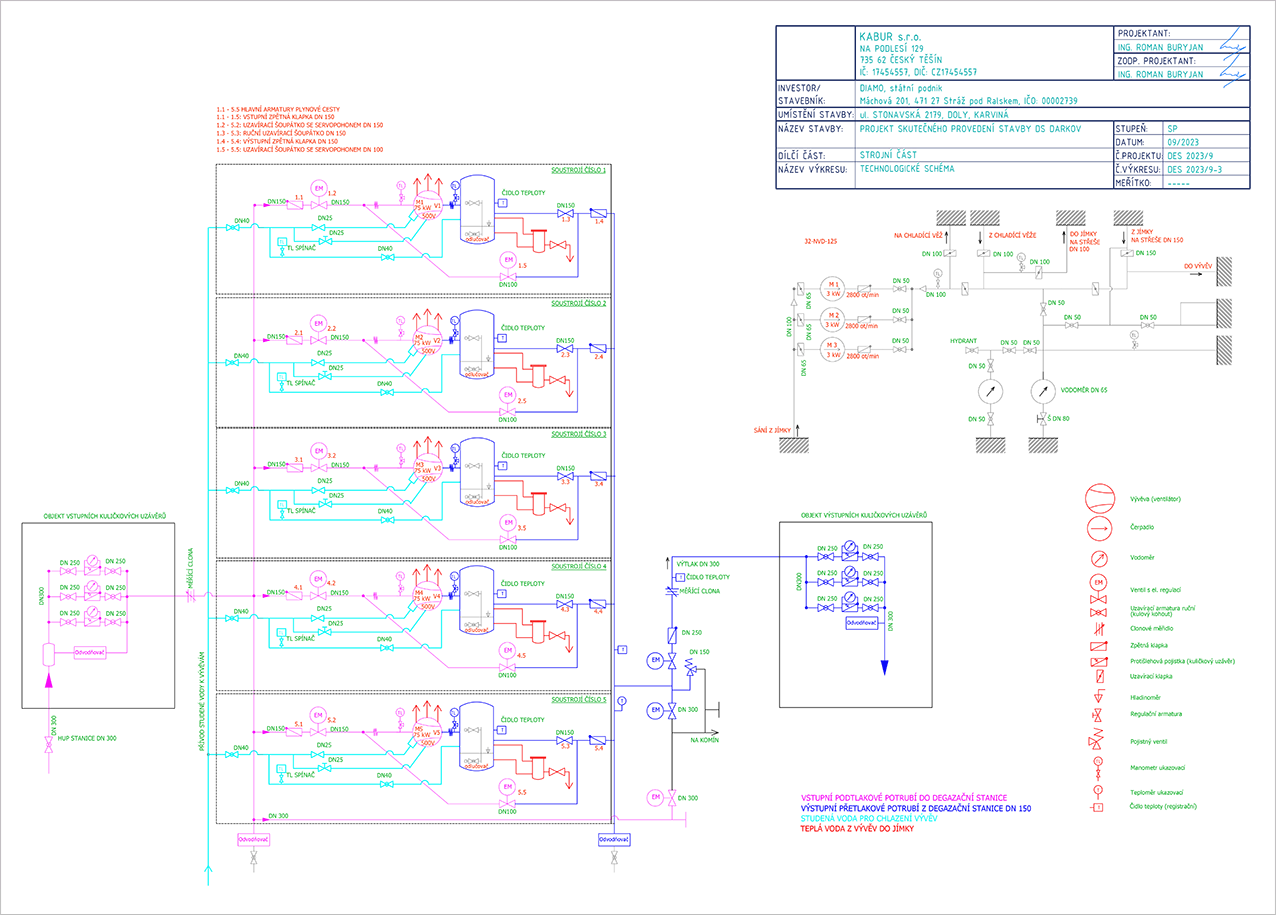
Degazační stanice Darkov | projekt
Úvod
Reference
Skutečné provedení stavby degazační stanice Darkov
Stavba
Projekt skutečného provedení stavby degazační stanice Darkov
Klient
Diamo, s.p.
Projekt č.
DES 2023/9
Termín
září 2023
Zahrnuto
3× výkres
Výkres č. DES 2023/9-2
Výkres č. DES 2023/9-3
Výkres č. DES 2023/9-6
Přeložka vysokotlakého plynovodu DN 250
Předcházející
Plynovod VT ETB - odborný posudek
Další